Полосовые пленочные завесы
Гарантия
1 год на весь товар
Доставка из Москвы
от 2 до 4 дней
Доставка по ДНР
Бесплатно
Установка специалистами
Оплачивается отдельно
Предоплата
Без предоплаты
от
12 593 ₽
Цена указана с НДС 20%

Консультация и заказ
Описание
Полосовые пленочные завесы предназначены для изоляции и сохранения микроклимата помещений на объектах промышленного, складского, торгового и другого назначения. Конструкция полосовых пленочных завес позволяет им возвращаться в исходное положение и автоматически смыкаться сразу после прохода сквозь них.
Преимущества:
- Не требуют технического обслуживания;
- Конструкция крепежа полосовых завес обеспечивает максимально простой монтаж;
- Безопасны за счет отсутствия жестких и выступающих элементов;
- Бюджетное решение для изоляции и сохранения микроклимата помещений промышленного, складского, торгового и другого назначения.
Конструкция
Видеообзор
Дизайн
Тип поверхности

Таблица размеров
ПАРАМЕТР | ПОКАЗАТЕЛЬ |
---|---|
Ширина проема, мм | Без ограничений по ширине |
Высота проема, мм | От 2 500 до 4 500 в зависимости от размера пленки |
Размеры пленки (Ширина х Толщина), мм | 200 × 2/300 × 3/400 × 4 |
Подготовка строительного объекта
Способы монтажа


Стандартные конструктивные решения

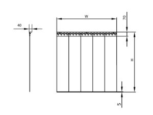
Параметры проема полосовых пленочных завес ПВХ
УСЛ. ОБОЗНАЧЕНИЕ, НАИМЕНОВАНИЕ ПАРАМЕТРА | РАСЧЕТНАЯ ФОРМУЛА |
---|---|
H1, мм Высота проема внутри | 2 600/3 500/4 500 |
H2, мм Высота проема снаружи | 2 600/3 500/4 500 |
B, мм Ширина проема | любая |
P%, Плотность перекрытия | 50/100; 33/66/100; 50/75/100 |

Комплектация
Базовая комплектация


Дополнительная комплектация

Технические характеристики
ПАРАМЕТР | ЗНАЧЕНИЕ | ПРИМЕЧАНИЕ |
---|---|---|
Плотность, г/см³ | 1,22/1,18 | Стандартная пленка/морозостойкая пленка |
Светопрозрачность, % | 80 | |
Относительное удлинение, % | 340/390 | Стандартная пленка/морозостойкая пленка |
Теплопроводность, Вт/м*°С | 0,14 | |
Звукоизоляция, дБ, класс (ГОСТ 31174) | 35 | |
Диапазон рабочих температур, °С | от -15 до +30/от -25 до +30 | Стандартная пленка/морозостойкая пленка |
Предел прочности на растяжение, Н/мм² | 16/11,5 | Стандартная пленка/морозостойкая пленка |
Условия эксплуатации
Упаковка
УПАКОВКА В СТРЕТЧ — ПЛЕНКУ | ХАРАКТЕРИСТИКИ УПАКОВКИ |
---|---|
Высота, мм | Зависит от количества завес |
Длина, мм | Зависит от длины завес |
Ширина, мм | Зависит от ширины завес |
Гарантия
Покупателю предоставляется гарантия работоспособности пленочных завес производства концерна DoorHan на срок 1 год для розничных и на срок 2 года для дилерских заказов с момента приобретения завес.